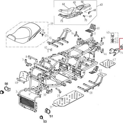
Promax 650L Arka Koruma Kapağı Sol Montaj Braketi

760.00

15 adet stokta

16 Ziyaretçi bu ürünü inceliyor!
Stok kodu: 23270 Kategoriler: